Got a question?
If you have any enquiries, please feel free to reach out to us.
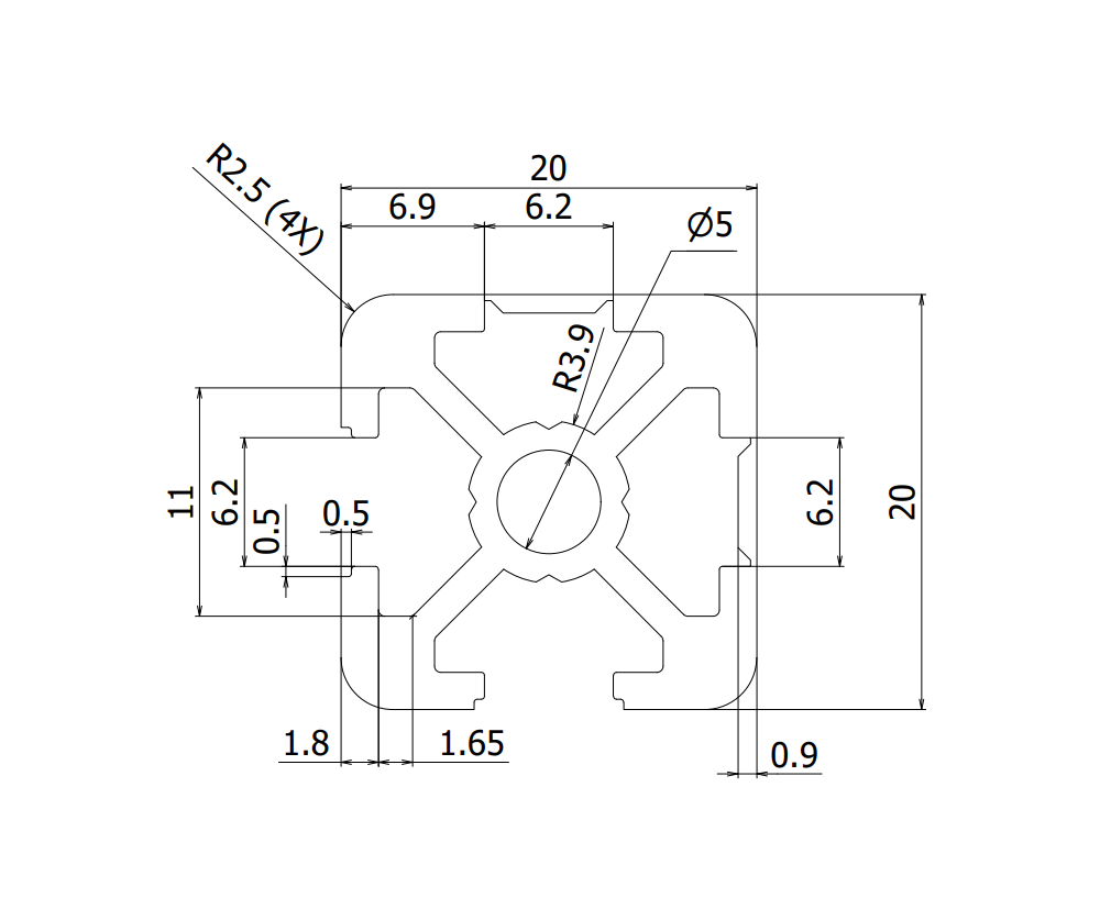
This profile belongs to “-6” group slot profile. Profile specially design with L-angle side covered and 2 slots on sides.
| Material | Weight | Length | Section Modules | Mass of Inertia |
|---|---|---|---|---|
| 6063-T5 Aluminium | 0.47 kg/m | 5 meters | Zx 0.71 cm3 Zy 0.71 cm3 |
Ix 0.73 cm4 Iy 0.73 cm4 |
If you have any enquiries, please feel free to reach out to us.