Got a question?
If you have any enquiries, please feel free to reach out to us.
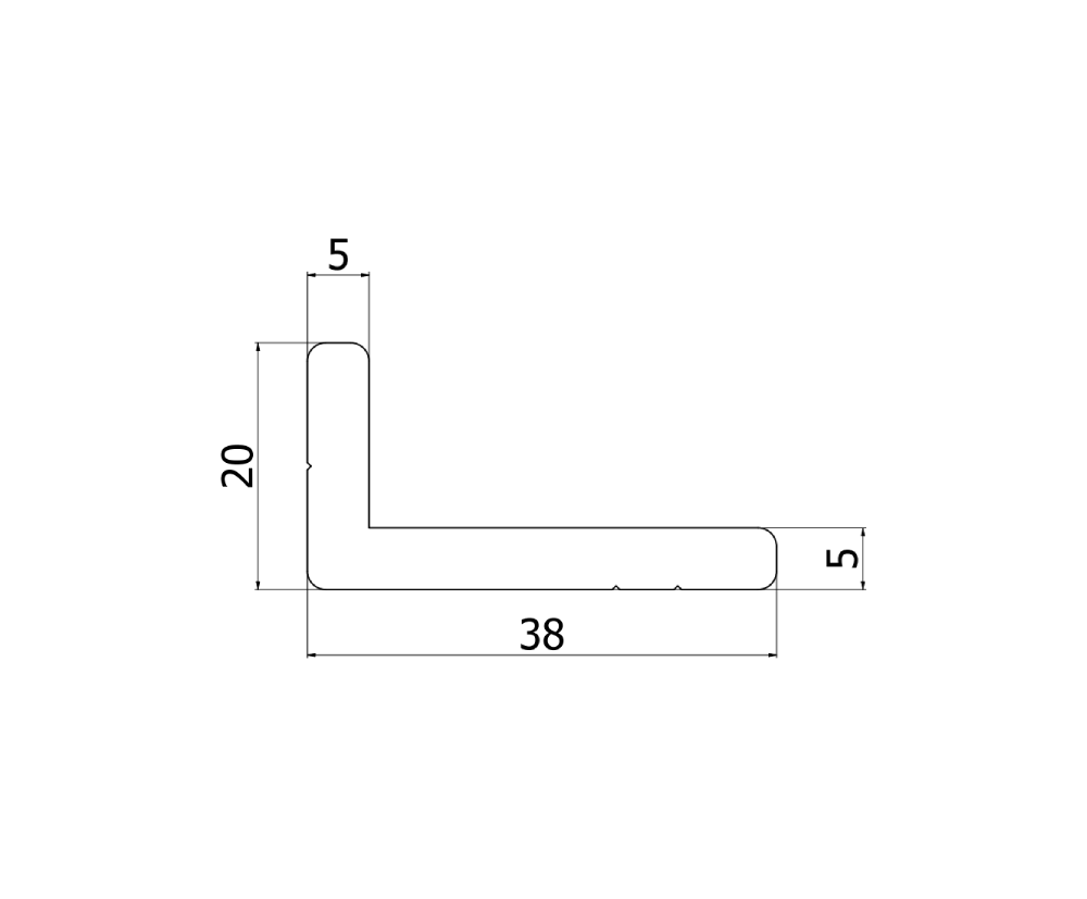
| Material | Weight | Length | Section Modules | Mass of Inertia |
|---|---|---|---|---|
| 6063-T5 Aluminium | 0.71 kg/m | 5 meters | Zx 0.31 cm3 Zy 1.65 cm3 |
Ix 4.62 cm4 Iy 3.92 cm4 |
If you have any enquiries, please feel free to reach out to us.