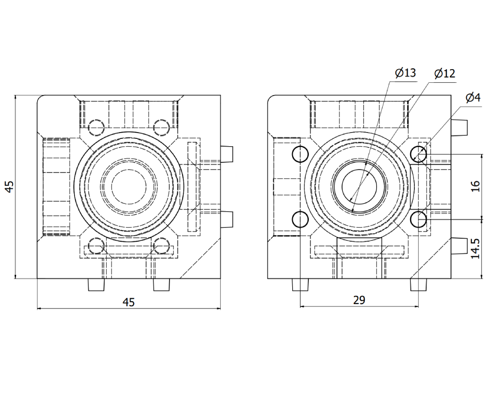
PTC-3DCC/4545
PTC-3DCC/4545

Connecting Brackets Cube Connector
PTC-3DCC/4545

Product Information

Material : Pressured Die Cast Aluminium