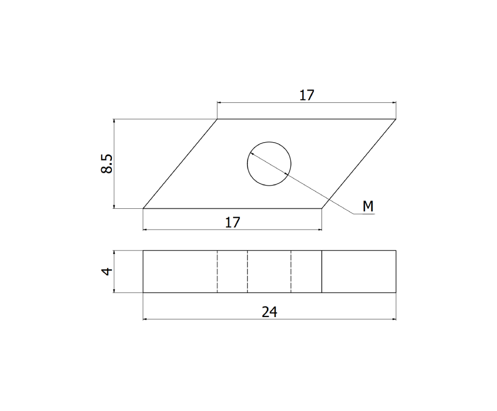
Material: Zinc Plated Steel
Status
If you have any enquiries, please feel free to reach out to us.
Publish the Menu module to "offcanvas" position. Here you can publish other modules as well. Learn More.
A new item has been added to your cart.